top of page

WINDOW

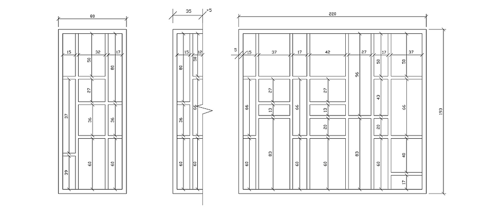
This window softly integrates light into the space, creating a relaxing atmosphere while minimizing excessive sunlight. It achieves this balance through a combination of transparent and opaque glass.

​

© 2025 Carmen Shukha Portfolio

bottom of page